
U0837L推拉式電磁鐵體積適中,力量適中,被廣泛用于電子門鎖、自動化設備、有著用途最廣的電磁鐵執行元件之稱。
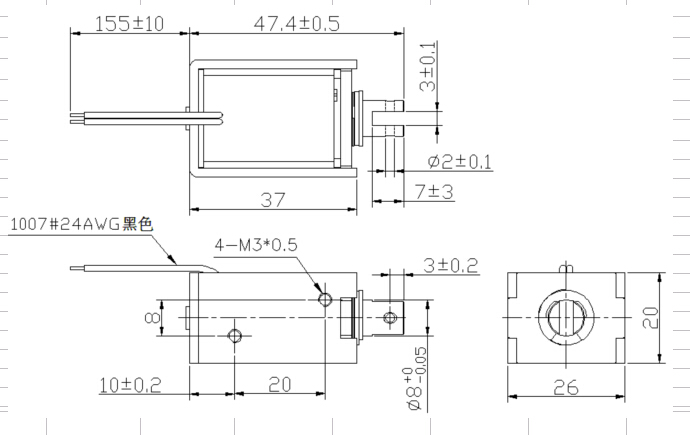
一、U0837L推拉式電磁鐵的尺寸圖

二、U0837L推拉式電磁鐵的行程和力量曲線圖:


圖解:1,上圖描述的是推拉式電磁鐵的行程和力量曲線圖
橫向:代表電磁鐵行程 單位為毫米(mm)
縱向:代表電磁鐵在對應行程時的力量 單位為克(g)
2,圖中四條線分別代表四種功率以及相應的通電頻率。
三、U0837推拉式電磁鐵的經典參數:
1,使用電壓:DC12V
2,使用電流:5A
3,行程力量:行程在7mm時力量大于1KG
4,使用壽命:大于100萬次
5,溫升:正常使用的情況下溫度低于80℃
磁心科技---用心服務!
其它推拉式電磁鐵:

